有源晶振频率越高一般价格越高。但频率越高,频差越大,从综合角度考虑,一般工程师会选用频率低但稳定的晶振,自己做倍频电路。总之有源晶振是根据需要去选择合适的频率,并不是晶振频率越大就越好。要看具体需求。比如基站中一般用10MHz的恒温晶振(OCXO),因其有很好的频率稳定性,属于高端晶振。至于范围,晶振的频率做的太高的话,就会失去意义,因为有其他更好的晶振频率产品代替。
|
京瓷晶振规格 |
单位 |
晶振频率范围 |
石英晶振基本条件 |
|
标准频率 |
f_nom |
10-40MHZ |
标准频率 |
|
储存温度 |
T_stg |
-40°C ~ +125°C |
裸存 |
|
工作温度 |
T_use |
-40°C ~ +85°C |
标准温度 |
|
激励功率 |
DL |
200μW Max. |
推荐:1μW ~ 100μW |
|
频率公差 |
f_— l |
±50 × 10-6(标准), |
+25°C 对于超出标准的规格说明, |
|
频率温度特征 |
f_tem |
±30 × 10-6/-20°C ~ +70°C |
超出标准的规格请联系我们. |
|
负载电容 |
CL |
7pF ~ ∞ |
超出标准说明,请联系我们. |
|
串联电阻(ESR) |
R1 |
如下表所示 |
-40°C — +85°C,DL = 100μW |
|
频率老化 |
f_age |
±5 × 10-6/ year Max. |
+25°C,第一年 |

一般来说,微处理器的振荡电路由考毕兹电路显示派生如下:
镉和CG是外部负载电容,其中已建成的芯片组。 (请参阅芯片组的规格)
Rf为具有200KΩ?1MΩ反馈电阻。它的内置芯片一般设置。
Rd为限流电阻470Ω与1KΩ?。这个阻力是没有必要的公共电路,但仅用于具有高电源电路。
一个稳定的振荡电路需要的负电阻,其值应是晶振阻力的至少五倍。它可写为|-R|>5的Rr。
例如,为了获得稳定的振荡电路中,贴片晶振IC的负电阻的值必须小于?200Ω时的晶振电阻值是40Ω。负阻“的标准来评估一个振荡电路的质量。在某些情况下,例如老化,热变化,电压变化,以及等等,电路可能不会产生振荡的“Q”值是低的。因此,这是非常重要的衡量负电阻(-R)以下说明:
线路连接的电阻(R)与晶体串联
(2)从起点到振荡的停止点调整R的值。
(3)振荡期间测量R的值。
(4)你将能够获得负电阻的值,|·R|= R +的Rr,和RR =晶振的阻力。
附:所连接的电路的杂散电容,可能会影响测定值。
如果晶振的参数是正常的,但它不工作稳步振荡电路中,我们将不得不找出IC的电阻值是否过低驱动电路。如果是这样的话,我们有三种方法来改善这样的情况:
降低外部电容(Cd和CG)的值,并采用其他晶振具有较低负载电容(CL)。
采用具有较低电阻(RR)的有源晶振。
使用光盘和CG的不等价的设计。我们可以增加镉(XOUT)的负载电容和降低CG(辛)的负载电容以提高从辛波形幅度将在其后端电路中使用的输出。
当有信号输出从XOUT但不辛,其表示后面的功耗的情况下 - 电极后端电路是极其巨大的。我们可以添加一个缓冲电路的输出和它的后电极之间,以驱动后端电路。
但1-5的方法上面提到的,你也可以按照步骤1-4-4的三种方法。如有不明白请联系我公司晶振的应用工程师和IC制造商寻求进一步的帮助,如果你的问题不能得到解决。系统无法运行,因为晶体没有足够的输出波形振幅。
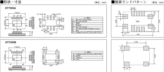
京瓷晶振,有源晶振,KT7050晶振
京瓷晶振全体员工都积极地投身环保活动,希望能够在兼顾环保性和经济性的同时,实现可持续发展。希望通过实践京瓷哲学,解决CSR课题,并构建与利益相关者相互信赖的关系,实现集团的可持续发展,石英晶体振荡器同时为社会的健全发展做出贡献。
京瓷晶振的各项能源、资源消耗指标和排放指标达到国内领先、国际先进水平。实施创新战略,提高自主创新能力,确保公司可持续发展。实施节约战略,提高建设节约环保型企业能力,确保实现节能环保规划目标。
京瓷晶振集团希望销售的所有进口温补晶振产品都能为地球环保做贡献,因此致力于开发环境友好型产品。
通过这些努力,在2015年度,京瓷温补晶振环保商品的比例达到了99%。今后,京瓷晶振集团将继续开展相关活动,为提供更多环境友好型产品而努力。尤其是在节能、温室效应对策方面,引进节能设备、安装太阳能发电系统、实施墙面绿化等开展了一系列节能活动。
京瓷晶振,有源晶振,KT7050晶振

联系人:龚成
QQ:769468702
手机:13590198504
邮箱:zhaoxiandz@163.com
网站:http://www.oscillatorcrystal.com



京瓷晶振,贴片晶振,CX3225SB晶振
京瓷晶振,贴片晶振,CX5032GA晶振
京瓷晶振,有源晶振,KT3225晶振
O 25.0-JT33-B-K-3.3-LF,3225有源温补晶振,Jauch进口晶振
O 25.0-JT32C-A-K-3.3-LF,3225差分温补晶振,Jauch晶体
7L-38.400MCS-T,2520高精度温补晶振,台产晶振
3225压控温补晶振,TXC进口晶体,7Q-12.800MCS-T
TZKTADSANF-26.000000有源晶振,2016温补晶体振荡器
I533-2P3- 12.800 MHz,5032有源贴片晶振,ILSI温补晶振
1XXB32000PAA温补晶振,DSB221SDN有源晶振,日本KDS大真空晶振
