欧美Greenray晶振,T53小体积5032mm晶振,T53-T57-C-3.3-LG-A-20.0MHz低功耗晶振
频率:10~50MHZ
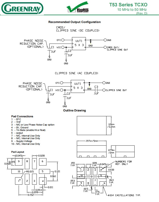
尺寸:5.0x3.2mm
欧美Greenray晶振,T53小体积5032mm晶振,T53-T57-C-3.3-LG-A-20.0MHz低功耗晶振,T53系列5032mm体积的温补晶体振荡器有源晶振,该产品可驱动2.5V的温补晶振,晶体振荡器产品,电源电压的低电耗型,编带包装方式,可对应自动高速贴片机自动焊接,及IR回流焊接(无铅对应),为无铅产品,超小型,质地轻.产品被广泛应用到集成电路,程控交换系统,无线发射基站
Greenray格林雷工业是一家领先的精密晶体振荡器,贴片晶振,有源晶振,石英晶体振荡器制造商.几十年来我们所生产的晶振,石英晶体,贴片晶体等产品的设计,测试,包装都是经过一系列严格要求规范操作,是在我们位于宾夕法尼亚州机械堡的工厂中通过严格的管理以及严谨的态度进行操作的.我们所生产的有源晶振,贴片晶振,温补振荡器都是符合ITAR标准的,我们的质量管理体系认证为ISO:9001标准.
Greenray格林雷工业生产贴片晶体振荡器,有源晶振,SMT、thru - hole、混合和定制产品.所生产的石英晶体振荡器根据性能可以分为:普通晶体振荡器(SPXO)、压控晶体振荡器(VCXO)、温补晶体振荡器(TCXO)、恒温晶体振荡器(OCXO)等.
Greenray格林雷晶振集团致力于研发生产高精密,性能稳定的石英晶体振荡器,满足不同客户的特殊要求,并且具有低噪音,低相位等特点.Greenray格林雷有源晶振,压控振荡器,(PXO)普通晶体振荡器,(TCXO)温补晶体振荡器,(OCXO)恒温晶体振荡器等在产品中使用具备优异的振动性,耐冲击等特性.Greenray格林雷还为广大用户提供具有良好可靠性,在产品中使用性能稳定强的自校准振荡器,石英晶体振荡器.Greenray格林雷晶振集团所生产的石英晶振,贴片晶振,石英晶体振荡器工作温度范围较广在-55+125°C之间,Greenray格林雷OCXO晶体振荡器的频率稳定度在±0.005ppm较高精度,TCXO温补晶振的频率稳定度控制在±0.04ppm范围的高精度,具有低相位,低抖动,低噪音等特性.Greenray格林雷晶振集团为确保所生产晶振,贴片石英晶振的质量,都会经过广泛的电气以及环境测试,确保质量上不会存在错误,其中包括•老化•温度测试•温度循环•温度冲击•机械冲击•微跳•稳定烤•加速度•加速度灵敏度•好/总泄漏•随机振动振动•耐溶剂•可焊性
| Frequency | 10.0 MHz to 50.0 MHz | ||
| Output | CMOS (C option) or Clipped Sinewave (S option) | ||
| Symmetry | 50% ± 10% (CMOS) | ||
| Output Level | SINE - +0.8V p-p typ into 10pF/100k ohm load; | ||
| CMOS - 3.3V - +0.2V max to +2.8V min; | |||
| 5.0V - +0.2V max to +4.2V min; 15pF load | |||
| Temp Stability | Temp Range | Tolerance | Option | 
| (other stabilities available) | -10°C to +60°C | ±0.3 ppM | G37 | 
| -20°C to +70°C | ±0.5 ppM | N57 | |
| -40°C to +85°C | ±0.5 ppM | T57 | |
| -40°C to +85°C | ±1.0 ppM | T16 | |
| -55°C to +95°C | ±2.0 ppm | V26 | |
| Aging | <1 ppM/yr - for standard shock level configuration (improved aging available) | ||
| Freq Adjust | ±8 ppM typ via 0 to Vcc control V, positive slope | ||
| Supply Voltage | +3.0 VDC ± 5%, +3.3VDC, or +5.0 VDC | ||
| Supply Current | < 6mA for HCMOS; < 3mA for SINE | ||
| G-Sensitivity | Standard (SD) <2.5x10-9/g typ; Low G-sensitivity option (LG) <7x10-10/g | ||
		 
 
	
欧美Greenray晶振,T53小体积5032mm晶振,T53-T57-C-3.3-LG-A-20.0MHz低功耗晶振
	在使用晶振时应注意以下事项:
1:抗冲击
抗冲击是指晶振产品可能会在某些条件下受到损坏.例如从桌上跌落,摔打,高空抛压或在贴装过程中受到冲击.如果产品已受过冲击请勿使用.因为无论何种石英晶振,其内部晶片都是石英晶振制作而成的,高空跌落摔打都会给晶振照成不良影响.
2:辐射
将贴片晶振暴露于辐射环境会导致产品性能受到损害,因此应避免阳光长时间的照射.
3:化学制剂 / pH值环境
请勿在PH值范围可能导致腐蚀或溶解石英晶振或包装材料的环境下使用或储藏这些产品.
4:粘合剂
请勿使用可能导致石英晶振所用的封装材料,终端,组件,玻璃材料以及气相沉积材料等受到腐蚀的胶粘剂.(比如,氯基胶粘剂可能腐蚀一个晶振的金属“盖”,从而破坏密封质量,降低性能.)
5:卤化合物
请勿在卤素气体环境下使用晶振.即使少量的卤素气体,比如在空气中的氯气内或封装所用金属部件内,都可能产生腐蚀.同时,请勿使用任何会释放出卤素气体的树脂.
6:静电
过高的静电可能会损坏贴片晶振,请注意抗静电条件.请为容器和封装材料选择导电材料.在处理的时候,请使用电焊枪和无高电压泄漏的测量电路,并进行接地操作 
欧美Greenray晶振,T53小体积5032mm晶振,T53-T57-C-3.3-LG-A-20.0MHz低功耗晶振
Greenray晶振环保环境与发展对策:实行可持续发展战略.采取有效措施,防治工业污染.提高能源利用效率,改善能源结构.运用经济手段保护环境.大力推进科技进步,加强环境科学研究,积极发展环境保护产业.健全环境法规,强化环境管理.加强环境教育,不断提高环境意识.
Greenray晶振减少污染物排放,对不可再生的资源进行有效利用.减少废物的产生,对其排放的责任进行有效管理,有效地使用能源.通过石英晶振,贴片晶振,温补晶振,石英晶体振荡器设计工艺程序对员工进行培训保护环境以及人们的健康和安全.提供安全使用和废置我们的产品的信息,对环境有重大健康安全和环境的运营现状进行纠正.
Greenray格林雷晶振集团保持就健康安全环境问题与临近摄取进行对话.通过在环境控制方面实施优秀的管理实践,以保护环境和全球运作相关的自然资源.向员工灌输环境价值观,在所有的晶振,石英晶振,有源晶振,压控振荡器产品和生产过程中应用最佳环境实用技术,为全球可持续发展做出贡献.
我们将依据技术进步以及对安全、健康和环境科学全新的解释持续地改进我们的业务.我们将追求在资源利用上的零废物率.压电石英晶体元器件、压电石英晶体、有源晶体原材料将得到循环和再利用以最大限度地减少对其处理量,同时节约资源.在废物的滋生地,废物将被安全、负责地处理掉.
 
 
		联系人:龚成
QQ:769468702
手机:13590198504
邮箱:zhaoxiandz@163.com
网站:http://www.oscillatorcrystal.com
采购:欧美Greenray晶振,T53小体积5032mm晶振,T53-T57-C-3.3-LG-A-20.0MHz低功耗晶振
- *联系人:
- *手机:
- 公司名称:
- 邮箱:
- *采购意向:
- 
                            *验证码:
跟此产品相关的产品 / Related Products
 
- 加高5032mm晶振,HSX531S高精度晶振,X1H013000B81H无源晶振
- 5032mm小型SMD晶体,可以说是目前小型数码产品的福音,目前超小型的智能手机里面所应用的就是小型的石英晶振,该产品最适用于无线通讯系统,无线局域网,已实现低相位噪声,低电压,低消费电流和高稳定度,超小型,质量轻等产品特点,产品本身编带包装方式,可对应自动高速贴片机应用,以及高温回流焊接,产品无铅对应,为无铅产品.
 
- Greenray格林雷晶振,T57系列5032mm晶振,T57-T16-C-3.3-HG-20MHz温补晶振
- 5032mm体积的石英晶体振荡器有源晶振,该产品可驱动2.5V的温补晶振,晶体振荡器产品,电源电压的低电耗型,编带包装方式,可对应自动高速贴片机自动焊接,及IR回流焊接(无铅对应),为无铅产品,超小型,质地轻.产品被广泛应用到集成电路,程控交换系统,无线发射基站
 
- Greenray格林雷晶振,T52温补晶振,T52-N17-C-3.3-LG-20.0MHz-E有源晶振
- 5032mm体积的石英晶体振荡器有源晶振,该产品可驱动2.5V的温补晶振,晶体振荡器产品,电源电压的低电耗型,编带包装方式,可对应自动高速贴片机自动焊接,及IR回流焊接(无铅对应),为无铅产品,超小型,质地轻.产品被广泛应用到集成电路,程控交换系统,无线发射基站
晶振厂家
台产晶振
日产晶振
欧美晶振
- CTS晶振
- 微晶晶振
- 瑞康晶振
- 康纳温菲尔德
- 高利奇晶振
- Jauch晶振
- AbraconCrystal
- 维管晶振
- ECScrystal晶振
- 日蚀晶振
- 拉隆晶振
- 格林雷晶振
- SiTimeCrystal
- IDTcrystal晶振
- Pletronics晶振
- Statek晶振
- AEK晶振
- AEL晶振
- Cardinal晶振
- Crystek晶振
- Euroquartz晶振
- FOX晶振
- Frequency晶振
- GEYER晶振
- ILSI晶振
- MMDCOMP晶振
- MtronPTI晶振
- QANTEK晶振
- QuartzCom晶振
- QuartzChnik晶振
- SUNTSU晶振
- Transko晶振
- WI2WI晶振
- 韩国三呢晶振
- ACT晶振
- MTI-Milliren晶振
- LiHom晶振
- Rubyquartz晶振
- Oscilent晶振
- SHINSUNG晶振
- ITTI晶振
- PDI晶振
- C-TECH晶振
- KVG晶振
- IQD晶振
- Microchip晶振
- Silicon晶振
- Fortiming晶振
- CORE晶振
- NIPPON晶振
- NIC晶振
- QVS晶振
- Bomar晶振
- Bliley晶振
- GED晶振
- Filtronetics晶振
- STD晶振
- Q-Tech晶振
- Anderson晶振
- Wenzel晶振
- NEL晶振
- EM晶振
- PETERMANN晶振
- FCD-Tech晶振
- HEC晶振
- FMI晶振
- Macrobizes晶振
- AXTAL晶振
- ARGO晶振
- Skyworks晶振
- Renesas瑞萨晶振
32.768K
有源晶振
贴片晶振
应用领域
电话:86-0755-27876236
手机:135-9019-8504
QQ:769468702
地址:中国广东深圳市宝安区沙井街道上星咸夫大厦F座2号903
 
                 










 
                         
                        


