CTS晶振,插件晶振,ATS晶振
频率:3.2~64MHZ
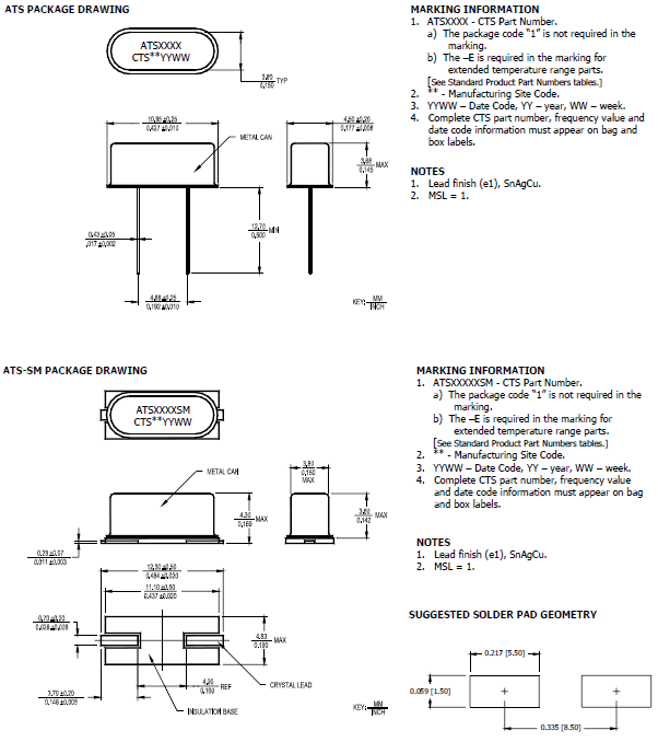
尺寸:10.85*4.50mm
CTS晶振,插件晶振,ATS晶振,作为CTS过渡到上世纪70年代,环境污染问题导致美国政府授权的汽车排放控制要求。节气门位置传感和排气再循环控制的需要将CTS浸入到引擎盖和底盘位置传感器业务中,为公司打开新的市场机会。
插件石英晶振最适合用于比较低端的电子产品,比如儿童玩具,普通家用电器,即使在汽车电子领域中也能使产品高可靠性的使用.并且可用于安全控制装置的CPU时钟信号发生源部分,好比时钟单片机上的石英晶振,在极端严酷的环境条件下,晶振也能正常工作,具有稳定的起振特性,高耐热性,耐热循环性和耐振性等的高可靠性能,由于在49/S形晶体谐振器的底部装了树脂底座,就可作为产品电气特性和高可靠性无受损的表面贴片型晶体谐振器使用,满足无铅焊接的回流温度曲线要求.
石英晶振的研磨技术:通过对压电晶体切割整形后的晶片进行研磨,使石英晶振的晶片达到(厚度/频率)的一定范围。石英晶振晶片厚度与频率的关系为:在压电晶体行业,生产晶振频率的高低是显示鸿星技术水平的一个方面,通过理论与实际相结合,累积多年的晶振研磨经验,通过深入细致地完善石英晶振研磨工艺技术,注重贴片晶振研磨过程的各种细节,注重晶振所用精磨研磨设备的选择;
|
|
输出负载:建议将输出负载安装在尽可能靠近石英谐振器的地方(在20 mm范围之间).CTS晶振,插件晶振,ATS晶振
未用输入终端的处理:未用针脚可能会引起噪声响应,从而导致进口石英晶振非正常工作.同时,当P通道和N通道都处于打开时,电源功率消耗也会增加;因此,请将未用输入终端连接到VCC 或GND.
热影响:重复的温度巨大变化可能会降低受损害的有源晶振的产品特性,并导致塑料封装里的线路击穿.必须避免这种情况.安装方向:DIP进口晶体的不正确安装会导致故障以及崩溃,因此安装时,请检查安装方向是否正确.
CTS晶振公司集团作为“地球内企业”,在保护地球环境方面发挥着领导作用。我们尊重历史、文化和传统的多样性,并致力于“CSR经营”和“环境经营”。为取得社会的信任,为推动插件石英晶体环境负荷最小化,CTS晶振集团还开展了各种各样的活动。CTS晶振,插件晶振,ATS晶振
CTS晶振集团在“制造、使用、有效利用、再利用”这样一个产品生命周期中,努力创造丰富的价值,给社会带来温馨和安宁,感动和惊喜,同时为减少环境影响,努力做好“防止地球变暖、有效利用消费类电子晶振资源、对化学物质进行管理”,实现与地球的和谐相处。
CTS晶振集团建立一种可测量的发展和改进的目标指标,定期对进口49S晶体谐振器进行内审和管理评审。在现有的或新生的各种活动中不断监测和改进环境绩效。通过对生产活动的持续改进和促进对低效或无效的环境法律法规进行合理化转变,努力提高环境管理中资本的效力。
联系人:龚成
QQ:769468702
手机:13590198504
邮箱:zhaoxiandz@163.com
网站:http://www.oscillatorcrystal.com
采购:CTS晶振,插件晶振,ATS晶振
- *联系人:
- *手机:
- 公司名称:
- 邮箱:
- *采购意向:
-
*验证码:
跟此产品相关的产品 / Related Products

- AbraconCrystal,插件晶振,ABL7M2晶振
- 插件石英晶振最适合用于比较低端的电子产品,比如儿童玩具,普通家用电器,即使在汽车电子领域中也能使产品高可靠性的使用.并且可用于安全控制装置的CPU时钟信号发生源部分,好比时钟单片机上的石英晶振,在极端严酷的环境条件下,晶振也能正常工作,具有稳定的起振特性,高耐热性,耐热循环性和耐振性等的高可靠性能,由于在49/S形晶体谐振器的底部装了树脂底座,就可作为产品电气特性和高可靠性无受损的表面贴片型晶体谐振器使用,满足无铅焊接的回流温度曲线要求.

- AbraconCrystal,插件晶振,ABL7M晶振
- 引脚焊接型石英晶体元件.工厂仓库长时间大量库存常用频点,高精度的频率和晶振本身更低的等效串联电阻,常用负载电容.49/S石英晶振,因插件型晶体成本更低和更高的批量生产能力,主要应用于电视,机顶盒,LCDM和游戏机家用常规电器数码产品等的最佳选择.符合RoHS/无铅.

- AbraconCrystal,插件晶振,ABL6M晶振
- 插件石英晶振最适合用于比较低端的电子产品,比如儿童玩具,普通家用电器,即使在汽车电子领域中也能使产品高可靠性的使用.并且可用于安全控制装置的CPU时钟信号发生源部分,好比时钟单片机上的石英晶振,在极端严酷的环境条件下,晶振也能正常工作,具有稳定的起振特性,高耐热性,耐热循环性和耐振性等的高可靠性能,由于在49/S形晶体谐振器的底部装了树脂底座,就可作为产品电气特性和高可靠性无受损的表面贴片型晶体谐振器使用,满足无铅焊接的回流温度曲线要求.
晶振厂家
台产晶振
日产晶振
欧美晶振
- CTS晶振
- 微晶晶振
- 瑞康晶振
- 康纳温菲尔德
- 高利奇晶振
- Jauch晶振
- AbraconCrystal
- 维管晶振
- ECScrystal晶振
- 日蚀晶振
- 拉隆晶振
- 格林雷晶振
- SiTimeCrystal
- IDTcrystal晶振
- Pletronics晶振
- Statek晶振
- AEK晶振
- AEL晶振
- Cardinal晶振
- Crystek晶振
- Euroquartz晶振
- FOX晶振
- Frequency晶振
- GEYER晶振
- ILSI晶振
- MMDCOMP晶振
- MtronPTI晶振
- QANTEK晶振
- QuartzCom晶振
- QuartzChnik晶振
- SUNTSU晶振
- Transko晶振
- WI2WI晶振
- 韩国三呢晶振
- ACT晶振
- MTI-Milliren晶振
- LiHom晶振
- Rubyquartz晶振
- Oscilent晶振
- SHINSUNG晶振
- ITTI晶振
- PDI晶振
- C-TECH晶振
- KVG晶振
- IQD晶振
- Microchip晶振
- Silicon晶振
- Fortiming晶振
- CORE晶振
- NIPPON晶振
- NIC晶振
- QVS晶振
- Bomar晶振
- Bliley晶振
- GED晶振
- Filtronetics晶振
- STD晶振
- Q-Tech晶振
- Anderson晶振
- Wenzel晶振
- NEL晶振
- EM晶振
- PETERMANN晶振
- FCD-Tech晶振
- HEC晶振
- FMI晶振
- Macrobizes晶振
- AXTAL晶振
- ARGO晶振
- Skyworks晶振
- Renesas瑞萨晶振
- Dynamic晶振
32.768K
有源晶振
贴片晶振
应用领域
电话:86-0755-27876236
手机:135-9019-8504
QQ:769468702
地址:中国广东深圳市宝安区沙井街道上星咸夫大厦F座2号903









