5032mm|NX5032GA-20.000000MHZ-STD-CSK-8|20MHz|8pF消费设备晶振
频率:8MHZ-55MHZ
尺寸:5.0x3.2mm
 
5032mm|NX5032GA-20.000000MHZ-STD-CSK-8|20MHz|8pF消费设备晶振,日本进口NDK晶振,型号NX5032GA,是一款小体积晶振尺寸5.0x3.2mm 两脚贴片晶振,无源晶振,石英晶振,石英晶体谐振器,无铅环保晶振,频率范围:8MHz至55MHZ,具超小型,轻薄型,优异的环境阻力性能,耐热性和耐冲击性,回流温度分布(可用于无铅焊接),适用于汽车配件,消费电子产品晶振设备,参考时钟来源的视频和音频设备应用。
	
 
5032mm|NX5032GA-20.000000MHZ-STD-CSK-8|20MHz|8pF消费设备晶振,参数图
| Item | Model | NX5032GA | ||||
| Nominal Frequency | 8 to 10.5 MHz | 10.5 to 50 MHz | 8 to 10.5 MHz | 10.5 to 50 MHz | 50 to 55 MHz | |
| Overtone Order | Fundamental | |||||
| Frequency Tolerance (25 ±3 °C) | ±30 × 10−6 | ±20 × 10−6 | ||||
| Frequency versus Temperature Characteristics (with reference to +25 °C) | ±50 × 10−6 | ±30 × 10−6 | ||||
| Operating Temperature Range | −40 to +85 °C | −10 to +70 °C | ||||
| Storage Temperature Range | −40 to +125 °C | −40 to +85 °C | ||||
| Equivalent Series Resistance | Refer to *1 | Refer to *2 | ||||
| Level of Drive | 50 μW (Max. 500 μW) | |||||
| Load Capacitance | 8 pF | |||||
| Specifications Number | STD-CSK-7 | STD-CSK-8 | STD-CSK-3 | STD-CSK-4 | STD-CKW3 | |
5032mm|NX5032GA-20.000000MHZ-STD-CSK-8|20MHz|8pF消费设备晶振,规格图 
			
		
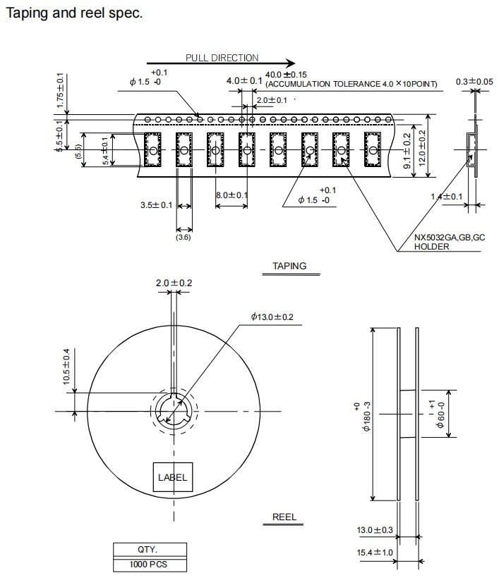
5032mm|NX5032GA-20.000000MHZ-STD-CSK-8|20MHz|8pF消费设备晶振,胶带和卷轴规格
5032mm|NX5032GA-20.000000MHZ-STD-CSK-8|20MHz|8pF消费设备晶振
安装条件:
请确保在以下条件下使用该产品。否则,可能会导致产品的特性恶化或破坏。
(1)回流焊耐热峰值温度
峰值温度:265℃, 10sec.
加热:230℃或更高,40秒
预热:150~180℃,120秒
回流通道次数:2次
(2)手动焊接耐热性
在终端电极上按压400°C的焊铁4秒钟(两次)
使用焊铁时,将尖端压在密封部分下方的部分,避免玻璃密封部分(否则玻璃融化,失去气密性)
| 原厂编码 | 晶振厂家 | 型号 | 频率 | 频率稳定度 | 包装/封装 | 
| NX5032GA-24.000000MHZ-LN-CD-1 | NDK晶振 | NX5032GA | 24MHz | ±50ppm | 2-SMD, No Lead | 
| NX5032GA-25.000000MHZ-LN-CD-1 | NDK晶振 | NX5032GA | 25MHz | ±50ppm | 2-SMD, No Lead | 
| NX5032GA-27.000000MHZ-LN-CD-1 | NDK晶振 | NX5032GA | 27MHz | ±50ppm | 2-SMD, No Lead | 
| NX5032GA-16.000000MHZ-LN-CD-1 | NDK晶振 | NX5032GA | 16MHz | ±50ppm | 2-SMD, No Lead | 
| NX5032GA-10.000000MHZ-LN-CD-1 | NDK晶振 | NX5032GA | 10MHz | ±50ppm | 2-SMD, No Lead | 
| NX5032GA-12.000000MHZ-LN-CD-1 | NDK晶振 | NX5032GA | 12MHz | ±50ppm | 2-SMD, No Lead | 
| NX5032GA-48.000000MHZ-LN-CD-1 | NDK晶振 | NX5032GA | 48MHz | ±50ppm | 2-SMD, No Lead | 
| NX5032GA-16.384000MHZ-LN-CD-1 | NDK晶振 | NX5032GA | 16.384MHz | ±50ppm | 2-SMD, No Lead | 
| NX5032GA-20.000000MHZ-LN-CD-1 | NDK晶振 | NX5032GA | 20MHz | ±50ppm | 2-SMD, No Lead | 
| NX5032GA-32.000000MHZ-LN-CD-1 | NDK晶振 | NX5032GA | 32MHz | ±50ppm | 2-SMD, No Lead | 
| NX5032GA-27M-STD-CSK-4 | NDK晶振 | NX5032GA | 27MHz | ±30ppm | 2-SMD, No Lead | 
| NX5032GA-12.288M-STD-CSK-4 | NDK晶振 | NX5032GA | 12.288MHz | ±30ppm | 2-SMD, No Lead | 
| NX5032GA-14.31818M-STD-CSK-4 | NDK晶振 | NX5032GA | 14.31818MHz | ±30ppm | 2-SMD, No Lead | 
| NX5032GA-25.000M-STD-CSK-4 | NDK晶振 | NX5032GA | 25MHz | ±30ppm | 2-SMD, No Lead | 
| NX5032GA-12MHZ-STD-CSK-4 | NDK晶振 | NX5032GA | 12MHz | ±30ppm | 2-SMD, No Lead | 
| NX5032GA-10.000M-STD-CSU-1 | NDK晶振 | NX5032GA | 10MHz | ±150ppm | 2-SMD, No Lead | 
| NX5032GA-20.000M-STD-CSU-2 | NDK晶振 | NX5032GA | 20MHz | ±150ppm | 2-SMD, No Lead | 
| NX5032GA-12.000M-STD-CSU-2 | 晶体谐振器 | NX5032GA | 12MHz | ±150ppm | 2-SMD, No Lead | 
| NX5032GA-20.000M-STD-CSK-4 | NDK晶振 | NX5032GA | 20MHz | ±30ppm | 2-SMD, No Lead | 
| NX5032GA-13.56M-STD-CSK-4 | NDK晶振 | NX5032GA | 13.56MHz | ±30ppm | 2-SMD, No Lead | 
| NX5032GA-12.288000MHZ-LN-CD-1 | NDK晶振 | NX5032GA | 12.288MHz | ±50ppm | 2-SMD, No Lead | 
| NX5032GA-16MHZ-STD-CSK-8 | NDK晶振 | NX5032GA | 16MHz | ±50ppm | 2-SMD, No Lead | 
| NX5032GA-16MHZ-STD-CSK-4 | NDK晶振 | NX5032GA | 16MHz | ±30ppm | 2-SMD, No Lead | 
| NX5032GA- 9.84375M-STD-CSU-1 | NDK晶振 | NX5032GA | 9.84375MHz | ±150ppm | 2-SMD, No Lead | 
| NX5032GA-10.000M-STD-CSK-3 | NDK晶振 | NX5032GA | 10MHz | ±30ppm | 2-SMD, No Lead | 
| NX5032GA-30.000000MHZ-LN-CD-1 | NDK晶振 | NX5032GA | 30MHz | ±50ppm | 2-SMD, No Lead | 
| NX5032GA-40.000000MHZ-LN-CD-1 | NDK晶振 | NX5032GA | 40MHz | ±50ppm | 2-SMD, No Lead | 
| NX5032GA-12MHZ-STD-CSK-8 | NDK晶振 | NX5032GA | 12MHz | ±50ppm | 2-SMD, No Lead | 
| NX5032GA-16.000M-STD-CSU-2 | NDK晶振 | NX5032GA | 16MHz | ±150ppm | 2-SMD, No Lead | 
| NX5032GA-8.000M-STD-CSU-1 | NDK晶振 | NX5032GA | 8MHz | ±150ppm | 2-SMD, No Lead | 
| NX5032GA-13.560000MHZ-LN-CD-1 | NDK晶振 | NX5032GA | 13.56MHz | ±50ppm | 2-SMD, No Lead | 
| NX5032GA-11.0592M-STD-CSK-4 | NDK晶振 | NX5032GA | 11.0592MHz | ±30ppm | 2-SMD, No Lead | 
| NX5032GA-30.000M-STD-CSK-4 | NDK晶振 | NX5032GA | 30MHz | ±30ppm | 2-SMD, No Lead | 
| NX5032GA-24.000M-STD-CSK-4 | NDK晶振 | NX5032GA | 24MHz | ±30ppm | 2-SMD, No Lead | 
| NX5032GA-40.000M-STD-CSU-2 | NDK晶振 | NX5032GA | 40MHz | ±150ppm | 2-SMD, No Lead | 
| NX5032GA -13.56M-STD-CSU-2 | NDK晶振 | NX5032GA | 13.56MHz | ±150ppm | 2-SMD, No Lead | 
 
		
		
 
		
深圳市壹兆电子科技有限公司联系人:龚成 电话:0755--27876236
QQ:769468702
手机:13590198504
邮箱:zhaoxiandz@163.com
网站:http://www.oscillatorcrystal.com
SG-210STF25.000000MHzL /2520CMOS/-40+85℃
采购:5032mm|NX5032GA-20.000000MHZ-STD-CSK-8|20MHz|8pF消费设备晶振
- *联系人:
 - *手机:
 - 公司名称:
 - 邮箱:
 - *采购意向:
 - 
                            *验证码:
 
跟此产品相关的产品 / Related Products

- MMDCOMP电子,贴片晶体,无源石英晶振,DF20EC1-20.000MHZ-T晶振
 - MMDCOMP电子,贴片晶体,无源石英晶振,DF20EC1-20.000MHZ-T晶振,进口无源晶振,MMDCOMP电子晶振,无源晶体,49SMD晶振,编码为:DF20EC1-20.000MHZ-T,频率:20 MHz,频率公差为:±50ppm,频率稳定为:±50ppm,负载电容为:20PF,工作温度范围:-40℃至+85℃,晶振体积尺寸为:11.7x4.8mm,SMD晶体,石英谐振器,高性能晶振,美国进口无源晶振,晶振,该产品具有超小型,薄型,质地轻,优良的耐热性,耐环境特性等特点,在办公自动化,家电领域,移动通信等领域可发挥优良的电气特性,符合无铅标准,满足无铅焊接的回流温度曲线要求。
 

- 插件晶振,151-16.0M-20-W石英晶振,Oscilent晶振,无源谐振器
 - 插件晶振,151-16.0M-20-W石英晶振,Oscilent晶振,无源谐振器,奥斯康利晶振,高质量石英晶体,美国无源谐振器,无源插件晶振,石英插件晶振,编码为:151-16.0M-20-W,频率:16 MHz,频率稳定性:±50ppm,频率公差为:±30ppm,负载电容为:20pF,工作温度范围:-40℃至+85℃,晶振体积尺寸为:11.05x5.0mm,石英晶振,该插件晶振是目前小型数码产品的福音,具备轻薄小,高性能和高稳定度等特点,满足高温回流焊接,符合欧盟环保标准,该产品最适用于无线通讯系统晶振,智能手环晶振和儿童电子手表晶振等产品中。
 

- TST嘉硕谐振器,无源谐振器,四脚贴片晶体,TZ0327A石英晶振
 - TST嘉硕谐振器,无源谐振器,四脚贴片晶体,TZ0327A石英晶振,台产石英贴片晶振,SMD贴片谐振器,无源石英晶体,编码为:TZ0327A,频率:12 MHz,频率稳定为:±30ppm,频率公差为:±30ppm,负载电容为:20PF,工作温度范围:-10℃至+60℃,晶振体积尺寸为:3.2x2.5mm,四脚贴片晶振,ROHS环保晶振,超小型石英晶体谐振器,贴片石英晶振,TST无源晶振,该晶振产品本身设计合理,成本和性能都很良好,具备高精度高稳定性能,外观为金属封装,有着超好的密封性能,SMD编带盘装包装方式,符合欧盟环保标准。
 
晶振厂家
台产晶振
日产晶振
欧美晶振
- CTS晶振
 - 微晶晶振
 - 瑞康晶振
 - 康纳温菲尔德
 - 高利奇晶振
 - Jauch晶振
 - AbraconCrystal
 - 维管晶振
 - ECScrystal晶振
 - 日蚀晶振
 - 拉隆晶振
 - 格林雷晶振
 - SiTimeCrystal
 - IDTcrystal晶振
 - Pletronics晶振
 - Statek晶振
 - AEK晶振
 - AEL晶振
 - Cardinal晶振
 - Crystek晶振
 - Euroquartz晶振
 - FOX晶振
 - Frequency晶振
 - GEYER晶振
 - ILSI晶振
 - MMDCOMP晶振
 - MtronPTI晶振
 - QANTEK晶振
 - QuartzCom晶振
 - QuartzChnik晶振
 - SUNTSU晶振
 - Transko晶振
 - WI2WI晶振
 - 韩国三呢晶振
 - ACT晶振
 - MTI-Milliren晶振
 - LiHom晶振
 - Rubyquartz晶振
 - Oscilent晶振
 - SHINSUNG晶振
 - ITTI晶振
 - PDI晶振
 - C-TECH晶振
 - KVG晶振
 - IQD晶振
 - Microchip晶振
 - Silicon晶振
 - Fortiming晶振
 - CORE晶振
 - NIPPON晶振
 - NIC晶振
 - QVS晶振
 - Bomar晶振
 - Bliley晶振
 - GED晶振
 - Filtronetics晶振
 - STD晶振
 - Q-Tech晶振
 - Anderson晶振
 - Wenzel晶振
 - NEL晶振
 - EM晶振
 - PETERMANN晶振
 - FCD-Tech晶振
 - HEC晶振
 - FMI晶振
 - Macrobizes晶振
 - AXTAL晶振
 - ARGO晶振
 - Skyworks晶振
 - Renesas瑞萨晶振
 
32.768K
有源晶振
贴片晶振
应用领域
电话:86-0755-27876236
手机:135-9019-8504
QQ:769468702
地址:中国广东深圳市宝安区沙井街道上星咸夫大厦F座2号903
                 






                        
                        


